/ Drift-Air Tryklufttank Vertikal 500 l/11 Bar
Drift-Air Tryklufttank Vertikal 500 l/11 Bar
Drift-Air Tryklufttank Vertikal 500 l/11 Bar
Drift-Air Tryklufttank Vertikal 500 l/11 Bar
Drift-Air

Drift-Air Tryklufttank Vertikal 500 l/11 Bar

8.999 kr
På lager
Produktbeskrivelse
Artikelnummer: 4101000908

Højkvalitets vertikal tryklufttank til værksted og industri. Godkendt i henhold til direktiv 2014/29/EU. Alle rørforbindelser med indvendigt gevind.

Glem ikke at bestille drænudstyr og sikkerhedsventil.

Tekniske data
Volumen 500 l
Maksimalt arbejdstryk 11 bar
Testtryk 16,5 bar
Arbejdstemperatur -10 - 100 ° C
Tilslutninger
- op til 1 x 1/2"
- ned til 1 x 1/2"
- foran
- sideliggende 1 x 1 ", 2 x 3/8"
Mål (Øxl) 600x2050 mm
Vægt 115 kg

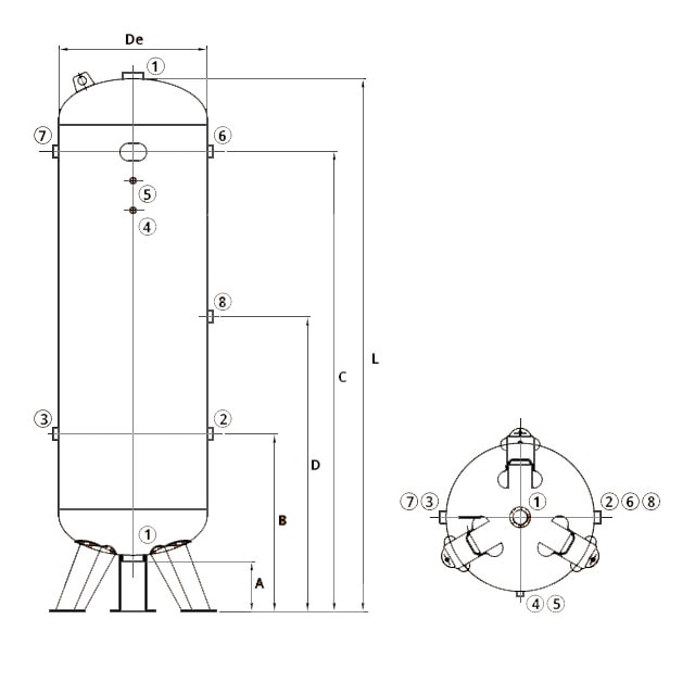
Målskitse:
De = 600 mm
A = 155 mm
B = 785 mm
C = 1665 mm
D = 1335 mm
L = 2050 mm
1 = 1/2"
2 = 1"
3 = 1"
4 =
5 = 3/8"
6 = 1"
7 = 1"
8 = -

Produktspecifikationer
Tankudførelse
Stående
Arbejdstryk, max
11 bar
Tankvolumen
500 l
Dimensioner BxLxH
60 x 60 x 205 cm
Vægt
115 kg